Volière VL CO
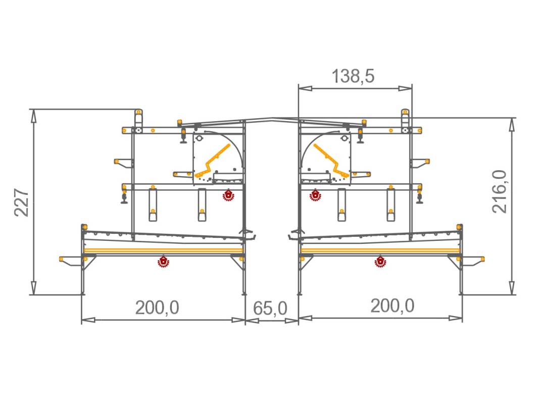
La volière VL CO est composée de 2 modules opposés comme indiqué sur le dessin, avec un couloir au centre pour l'inspection des animaux par un opérateur. Chaque module se compose de 3 niveaux, dont le premier est une surface quadrillée, équipée de systèmes d'alimentation et de bandes de nettoyage du fumier. Le deuxième niveau est constitué par les nids du modèle libaia. Le troisième niveau est constitué d'une surface fermée en contreplaqué marine.






